



技術參數
———————————————————— PATMETERS ————————————————————
介質 | 壓力 | 溫度 | 轉速 | 材質 |
空氣 | 10bar / 145 PSI | 90°C / 195°F | 200RPM | 304、316、銅合金、鋁合金 |
液壓油 | 250bar / 3.625PSI | 90°C / 195°F | 15RPM | 304、316、銅合金、鋁合金 |
產品特點
——————————————————— PRODUCT FEATUREA ———————————————————
· 介質通道支持2-4-6個通路。 · 密封結構是通過徑向的環形滑座和O型密封環組合來實現。 · 氟橡膠O型圈提供靜態密封,環形滑座提供動態密封。 · 抗氧化腐蝕材料應用。 · 此多通路旋轉接頭密封結構所產生的摩擦力很小,延長使用壽命。 · 抗腐蝕的密封裝置,可延長使用壽命。 · 此款多通路旋轉接頭有一個開槽定位銷防止端蓋旋轉。 · 減少了對金屬軟管及連接件的操作應力。 · 轉子經過表面硬化的工藝并經過研磨的不銹鋼制成,可承受輕微的摩擦磨損。 · 殼體由四部分組成,用六只螺絲固定,便于調節預緊力和旋轉接頭維修維護。 · 兩個大襯套通過長距離安裝固定,可保證穩定的同軸度和避免欠對準的情況。 · 非標產品可根據客戶提供的技術參數和工況環境設計生產非標高速旋轉接頭。 |
產品構成
———————————————————— PRODUCT MIX ————————————————————

產品圖片
——————————————————— PRODUCT PICTURE ———————————————————

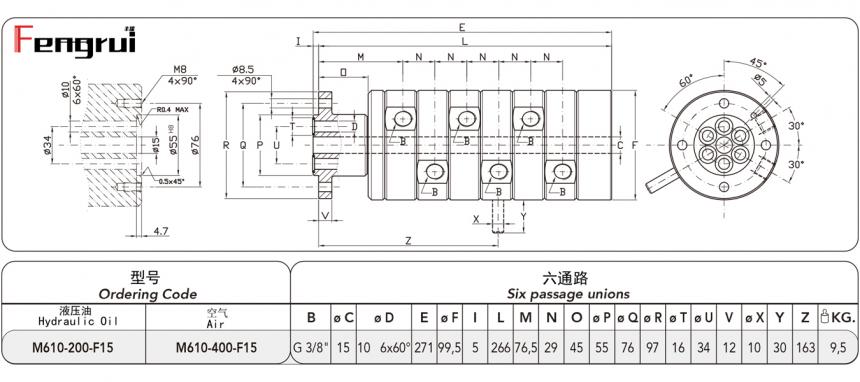
規格型號尺寸
———————————————————— SIZE TABLE ————————————————————



非標定制
—————————————————————— OEM Part —————————————————————
溫度Max | 流通介質的最高溫度/℃ | 轉速Max | 設備工作的最高轉速/RPM | 壓力Max | 工作狀態的最高壓力/MPa |
流通介質 | 流通的介質及有無腐蝕性 | 通路數量 | 單、雙通路或多通路 | 通徑規格 | 每個通路的通徑規格 |
連接方式 | 螺紋或法蘭連接方式 | 規格標準 | 螺紋和法蘭規格標準 | 外形尺寸 | 總長和殼體直徑的要求 |
工況信息 | 所用設備的工況環境 | 材質要求 | 殼體、軸:201、304、316、鋁合金、碳鋼、銅合金及軸承材質 | ||
特殊要求 | 特殊的表面處理工藝要求、密封組件的材質要求、軸承及其他配件品牌的要求、其他特殊要求和需求等 | ||||
旋轉接頭安裝與使用
—————————————————— INSTALLATION AND USE ——————————————————
1.安裝旋轉接頭的一端看設備的旋轉方向來確定旋轉接頭的螺紋方向。 A.設備逆時針方向旋轉,選用右旋的旋轉接頭。 B.設備順時針方向旋轉,選用左旋的旋轉接頭。 2.應該保持滾筒及內管內部的清潔,對新的設備應特別注意,必要時需加過濾器,以避免異物雜質和水垢對旋轉接頭接頭造成異常磨損。 3.當發現旋轉接頭滲漏時,應及時停機檢查滲漏原因,不要帶病工作,以免造成零部件的異常損壞。 4.在未流通介質時,應避免長時間空運轉。 5.因機器長期不使用會導致旋轉接頭內部的結垢與起銹,請注意如再使用很可能卡住或者滴漏現象發生。 6.帶有注油裝置的請定期注油(視情況1-3個月內),確保軸承運轉的可靠性。 7.流通熱體介質的旋轉接頭應逐漸升溫,避免溫度急變,對密封件造成老化。 8.需使用金屬軟管進行繞性連接,避免硬性連接使得旋轉接頭運行中不能自動調心補償。 |
旋轉接頭維修和維護
—————————————————— REPAIR AND MAINTENANCE ——————————————————
1.拆卸旋轉接頭時,應注意過高的溫度對身體的影響。 2.拆下并打開旋轉接頭時,應注意裝配順序,并保持內部零件的原始狀態,以分析原因。 3.檢查密封端面的磨損狀況及厚度變化情況(一般正常磨損量為5-10mm);觀察密封端面的摩擦軌跡,看是否出現三點斷續接觸或者劃傷等問題,這屬于不正常的摩擦狀況,應立即維修。 4.注意觀察旋轉接頭密封端面是否存有異物(鐵屑、石英、水垢等結晶體)對密封端面是否留有摩擦痕跡。這需要更換密封環及加裝過濾裝置,避免異物對密封端面繼續損傷。 5.旋轉接頭是精密動態密封裝置,請選擇專業的旋轉接頭生產廠家進行維修。 |
—————————————————— 豐瑞機械密封 —————————————————— 有轉動的地方就有豐瑞旋轉接頭 |
![]() |
![]() |